单管ZVS
zvs吧
全部回复
仅看楼主
level 7
磁暴学徒
楼主
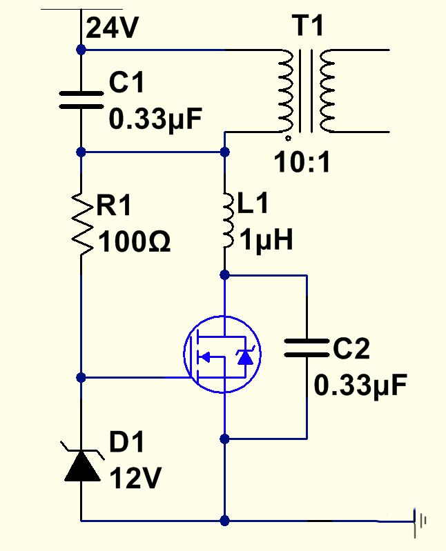
群里看到的图,有兴趣的朋友可以试试
2017年06月22日 20点06分
1
level 6
哈哈6779
总觉得要b
m啊😊
2017年06月22日 23点06分
2
level 13
方舟不方
2017年06月22日 23点06分
3
level 11
wait1210day
之前用Multisim10仿真这个电路,可以起振,也确实做到了zvs状态,但升级到Multisim14后仿真就死活不起振了
2017年06月22日 23点06分
4
_____5_2_0
电容C2是3uf可以了(这里决定了功率),C1是2uf或者3uf,电感60uH左右
2019年03月18日 14点03分
level 11
丨灬blayboy丶
不可以感应加热 差评
2017年06月22日 23点06分
5
level 11
丨灬blayboy丶
今天晚上我做了试试
2017年06月22日 23点06分
6
贴吧用户_58taVCJ
是不是电感三点式
2020年09月10日 04点09分
level 8
DD-9527
要调的,麻烦
2017年06月23日 00点06分
7
level 13
AMDPENTIUM
这电路不怎么样
很难起振,而且效率比双管低
2017年06月23日 10点06分
8
level 13
AMDPENTIUM
你要知道场管栅极是正弦波,不是方波
2017年06月23日 10点06分
9
小蒋667
有稳压管削波了
是方波的哦
2017年06月24日 05点06分
level 1
cszombie
窝来挖坟
首先来说 multisim这个是理想变压器,实际变压器还有漏感和励磁电感,主要是励磁电感。初级并个10uH的电感意思一下。
其次是仿真设置,点工具链上那个绿色按钮附近有个长的大按钮打开Analyses and Simulation对话框,把最大仿真步长限定为1e-6,这样虽然慢了但是肯定能起振。如果不设置这个multisim会认为震荡是可以忽略的扰动从而得到错误的结果。
2019年02月08日 13点02分
10
level 8
黄思淮
我焊过,不起振
2019年02月11日 10点02分
11
AMDPENTIUM
+1,单管自激都是人品电路
2019年02月11日 19点02分
level 11
66Cccfff
这不就成了单管tc,调好电容能dr
2019年02月11日 13点02分
12
黄思淮
你把线圈短路了
2019年02月11日 14点02分
贴吧用户_58taVCJ
场管串联电感并联100欧电阻不懂
2020年09月10日 05点09分
贴吧用户_58taVCJ
感觉电感没起作用
2020年09月10日 05点09分
-ARX7-
@贴吧用户_58taVCJ
兄挖坟了,另外解一下,100应该是反馈,电感是LC谐振的一部份?
2020年09月10日 08点09分
level 13
_____5_2_0
能起振,我做过,管自发热巨大
2019年03月17日 12点03分
13
level 6
宵🌸
这张图还没出现时 我是第一个做的 没想到有人制了电路图 不错啊 当初我是画在作业本上的
2019年03月18日 09点03分
14
level 6
宵🌸
100欧太小 可以增加点 磁环 17圈 变压器5圈 电容可以用安规 cbb都行
2019年03月18日 09点03分
15
1
2
尾页