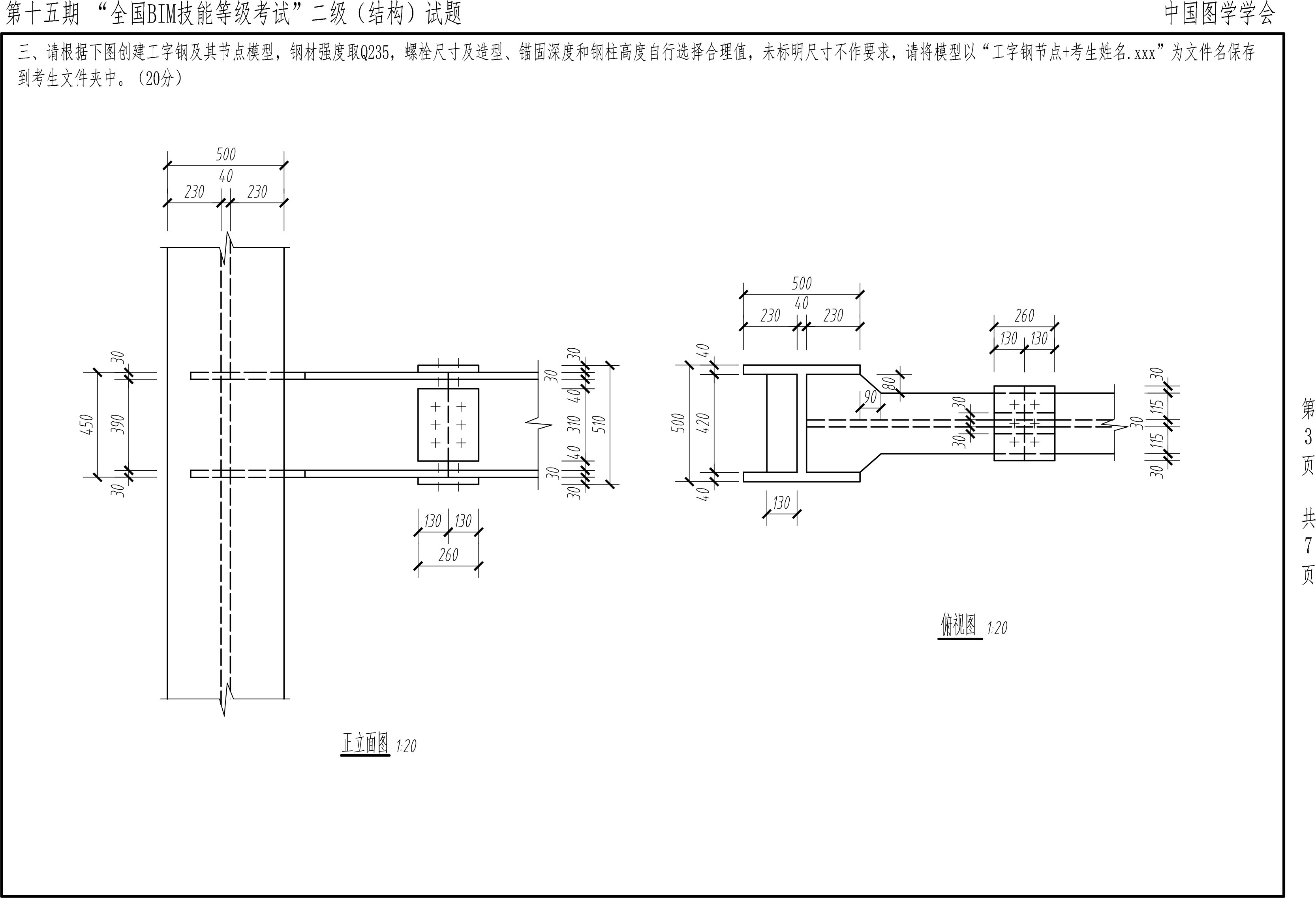
最新!图学BIM二级结构考试真题
bim吧
全部回复
仅看楼主
level 6
沧海云帆一
楼主
2019年12月08日 13点12分
1
level 1
电竞硕硕🌈
好
2019年12月11日 04点12分
3
沧海云帆一
2019年12月11日 06点12分
1