哪位大佬能讲解一下此图吗?(课程设计需要)有偿
multisim吧
全部回复
仅看楼主
level 1
vg5no4
楼主
哪位能讲解一下此图吗?这是在贴吧里找的。有偿
2019年12月06日 12点12分
1
level 1
看我又想睡觉😫
这一两句讲不完呀,
2019年12月06日 13点12分
2
vg5no4
求求了
,有偿
2019年12月06日 14点12分
看我又想睡觉😫
给个联系方式
2019年12月07日 13点12分
看我又想睡觉😫
@vg5no4
给个联系方式
2019年12月07日 13点12分
level 1
向博同学º
要做电子钟吗
2019年12月06日 14点12分
3
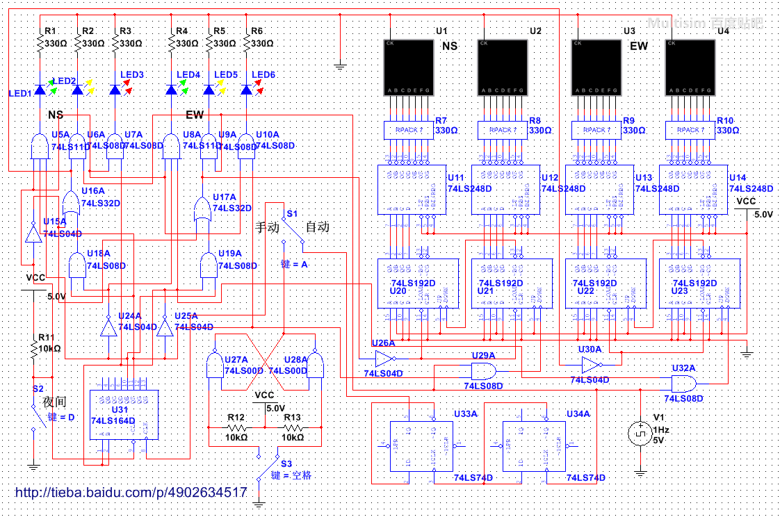
vg5no4
就是交通灯
2019年12月06日 14点12分
向博同学º
回复 vg5no4 不会
2019年12月06日 14点12分
vg5no4
电子钟有吗
回复 猫鱼薄荷℃ :
2019年12月06日 15点12分
向博同学º
@vg5no4
有
2019年12月06日 15点12分
1