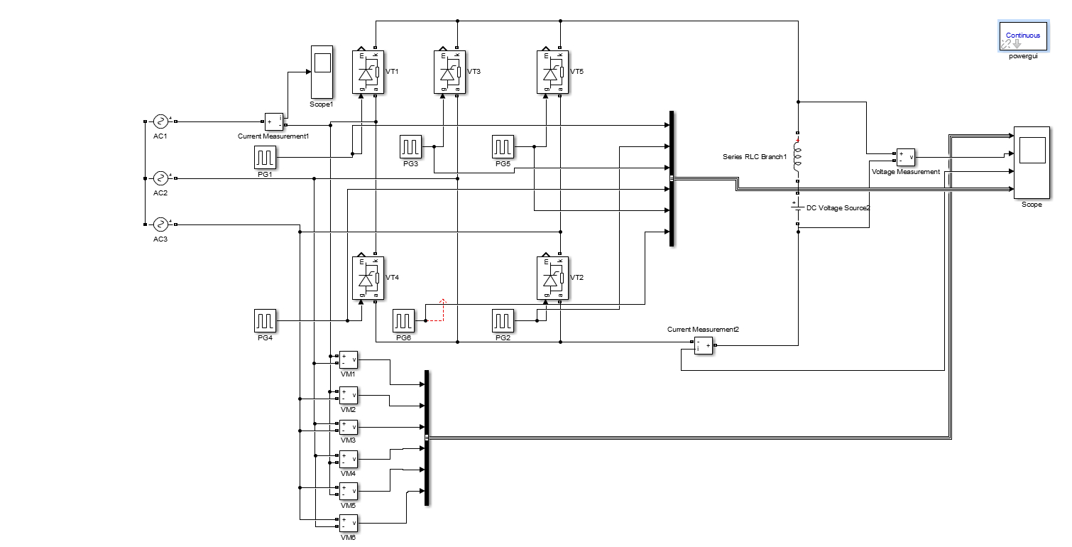
三相桥式全控整流电路图画出来了但是波形不对有没有大哥指点一下
simulink吧
全部回复
仅看楼主
level 1
邦邦猪🐷
楼主
三相桥式全控整流电路图画出来了但是波形不对
有没有大哥指点一下,做第四题
#simulink#
#matlab#
2019年11月20日 01点11分
1
level 1
追梦路上ha
我也是这样画,但输出波形不对,您后来解决了吗
2020年03月11日 10点03分
2
1