求助,为什么报错说没定义呢
simulink吧
全部回复
仅看楼主
level 3
密密麻麻北鼻♂
楼主
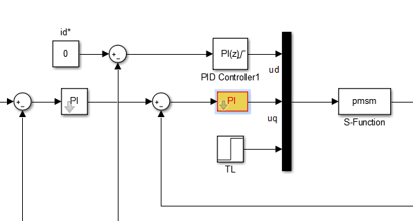
明明在s函数里已经定义了变量,在允许模型的时候报错说变量没定义
2019年05月24日 09点05分
1
level 11
silencefxkun
你需要在workplace里面定义参数可能
2019年05月24日 09点05分
2
level 3
yihui_2019
熠辉咨询可以帮你,淘宝搜索店铺yihuicn,咨询客服
2019年05月28日 01点05分
3
level 1
動麗
S函数的pmsm.m文件跟你这个mdl文件放在同一个文件夹下面
2019年06月03日 05点06分
4
密密麻麻北鼻♂
在同一个文件夹啊
2019年06月03日 07点06分
1