求大神帮忙下面这个电路图用Multisim怎么连
multisim吧
全部回复
仅看楼主
level 1
贴吧用户_0J2SyKQ
楼主
2019年05月10日 06点05分
1
level 1
贴吧用户_0J2SyKQ
楼主
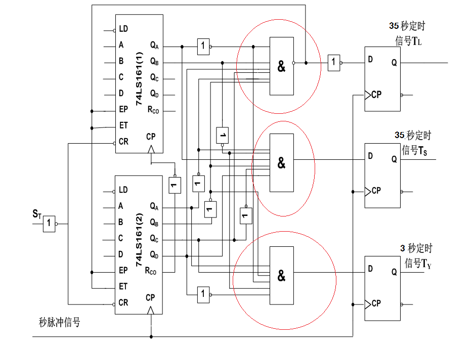
最近在做数电交通灯毕业设计,电路图是网上找的,图中红圈的与门和与非门该用什么元件连接啊。。
2019年05月10日 06点05分
2
错付情衷🌞
与非门
2019年05月19日 09点05分
错付情衷🌞
不带圈的是与门
2019年05月19日 09点05分
level 9
Leey🌵
毕业设计交通灯???我们学校交通灯做出来只占数电实验加分项的百分之10
2019年05月22日 04点05分
3
1