倒立摆极点配置仿真图输出波形颠倒
simulink吧
全部回复
仅看楼主
level 2
与良耳
楼主
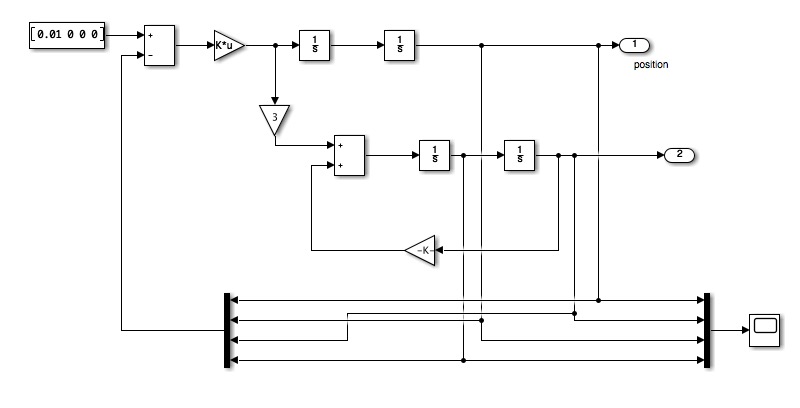
如图,正确波形是图二,但是我做出来的是图三,请问有大佬知道哪里出错了吗?绝望了
2019年05月09日 12点05分
1
level 11
silencefxkun
你应该仿真时间长一点
2019年05月09日 12点05分
2
与良耳
我感觉我的这个起点跟终点怎么反过来了
2019年05月09日 12点05分
silencefxkun
@与良耳
你 k设置合理不
2019年05月09日 12点05分
silencefxkun
回复 与良耳 :那我就解决不了了
2019年05月09日 12点05分
与良耳
@silencefxkun
谢谢了
2019年05月09日 12点05分
level 1
heavenfoolme
我也是这样,您解决了吗
2020年06月17日 08点06分
3
1