这是扰动观测法的MPPT模块,我只看得懂前半段是判断du×d
simulink吧
全部回复
仅看楼主
level 4
三千柴犬大军
楼主
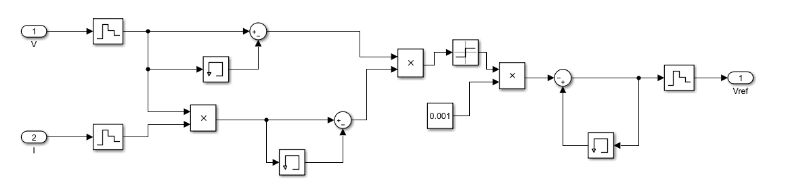
这是扰动观测法的MPPT模块,我只看得懂前半段是判断du×dp是否大于零,后半段memory那个反馈有什么功能呢,乘以0.001又有什么用呢,求大神解惑
2019年05月03日 02点05分
1
level 1
Mr你了
楼主能分享下模型吗
2019年05月06日 07点05分
2
三千柴犬大军
我就是按这个框图搭的啊
2019年05月07日 11点05分
谁请我喝果粒橙
我有 可私聊
2019年05月09日 16点05分
level 1
Mr你了
调整步长改哪里呢还有你问的那个0.001输入你知道吗。
2019年05月08日 00点05分
3
三千柴犬大军
就是看不懂才来问的呀
2019年05月08日 04点05分
Mr你了
我以为你搞明白了
2019年05月08日 04点05分
level 1
Mr你了
一灵一呜呜九0842还是加我我球球把。这里太麻烦了
2019年05月08日 04点05分
4
三千柴犬大军
看下私聊
2019年05月08日 04点05分
level 1
BOFCB
0.0001代表每次扰动的占空比的步长,后面的memory是保持上一次的值,每次扰动都是在上一次的基础上去完成
2019年05月09日 14点05分
5
唯变所适😁
最后输出vref是什么啊
2019年09月24日 03点09分
唯变所适😁
最后输出verf
2019年09月24日 03点09分
level 2
谁请我喝果粒橙
扰动是指的电压增量,越小稳态电压波动越小,记忆模块是吧这个值保存一段时间,就是一个延迟的功能
2019年05月09日 16点05分
6
level 1
唯变所适😁
输出值vref是什么啊?
2019年09月24日 01点09分
7
level 1
好来咯了扣扣
楼主可否加个QQ或者微信,我也搞光伏发电这块,一起学习
2019年10月08日 16点10分
8
三千柴犬大军
毕业了,光伏都忘差不多了
2019年10月12日 07点10分
好来咯了扣扣
@三千柴犬大军
那您还有光伏方面资料吗,在您那购买也行
2019年10月12日 08点10分
三千柴犬大军
没带在身边
2019年10月13日 00点10分
1