萌新请教个延时电路
multisim吧
全部回复
仅看楼主
level 1
昵称有啥用🌐
楼主
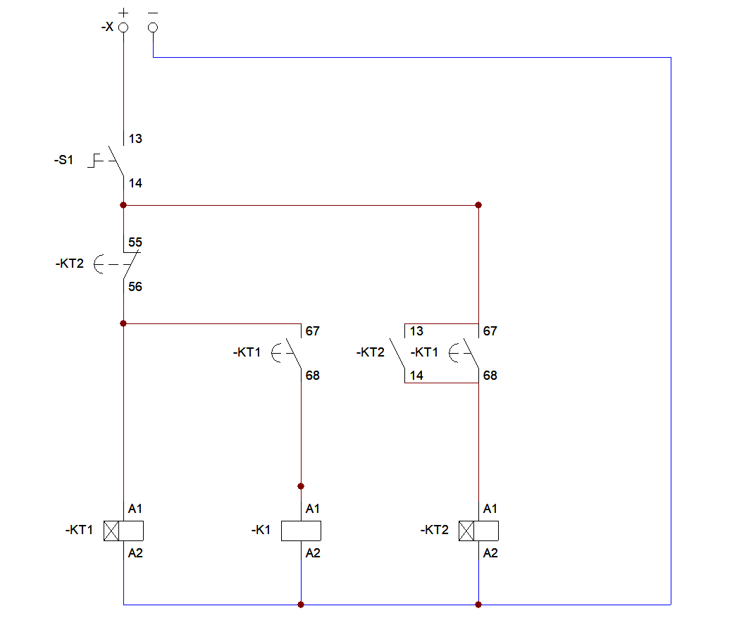
一个开关s1,一个继电器k1。DC电压24V,当然更低也行
想实现的功能:
闭合s1后开始执行动作A:t1(2)秒后k1吸合,t2(3)秒后k1断开且不再吸合。
期间只要s1断开,k1则立刻断开,并且动作A复位。
温馨提示,s1是切换型开关,不是按钮
大神赶紧来吧
2019年03月16日 03点03分
1
level 1
昵称有啥用🌐
楼主
t1,t2为时间单位。。。
2019年03月16日 12点03分
2
level 4
creedcn1
用两个时间继电器和一个继电器可以完成这个电路。KT1负责延时2秒启动,KT2负责延时3秒断开。
2019年11月13日 14点11分
3
1