想要设置剩余磁通并修改合闸角,想请问在哪个元件上修改
simulink吧
全部回复
仅看楼主
level 1
雪莹儿1996
楼主
2019年03月06日 06点03分
1
level 1
雪莹儿1996
楼主
谢谢各位大佬了
2019年03月06日 06点03分
2
level 3
他不会说你好♬
变压器上
2019年03月06日 14点03分
3
雪莹儿1996
点开了变压器然后发现没有“剩磁”选项。修改合闸相角我用的是前面的三相电源的相角,但是感觉应该不是这里
2019年03月12日 07点03分
他不会说你好♬
@雪莹儿1996
有一个你看看说明
2019年03月13日 11点03分
雪莹儿1996
@他不会说你好♬
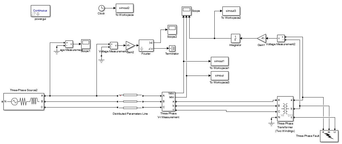
请问能在下面的图中告诉我吗(见原帖)
2019年03月14日 06点03分
level 1
雪莹儿1996
楼主
这么多天过去了,还是没研究出来
2019年03月12日 06点03分
4
level 1
TransHong
楼主能知道怎么设置剩磁了嘛
2020年04月17日 08点04分
5
level 5
鉁樻潹鏅撲笁銆
你这变压器短路前是投运的,铁心中已经建立了磁场,没有设置剩磁的必要,又不是空载合闸
2020年04月21日 10点04分
6
level 5
鉁樻潹鏅撲笁銆
由于剩磁的存在,当变压器投入运行时铁芯剩磁使变压器铁心半周饱和,在励磁电流中产生大量谐波,这不仅增加了变压器的无功消耗,而且可能引起继电保护器误动作,造成一定的经济损失。所以我们在变压投运前必须做消磁工作,确保变压器安全正常运行。
2020年04月21日 10点04分
7
1