求助 求助 如何 奖振动转化为液压能的仿真 这是我自己做的
amesim吧
全部回复
仅看楼主
level 2
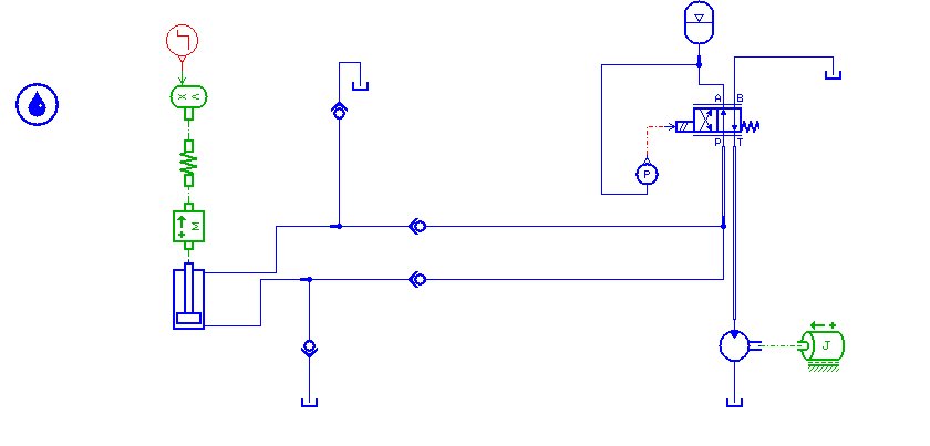
贺灬宇 楼主
求助 求助 如何 奖振动转化为液压能的仿真
这是我自己做的为什么不对么
2018年11月22日 08点11分 1
level 2
贺灬宇 楼主
有没有会的帮帮忙急啊
2018年11月22日 09点11分 2
1