【有问题尽管留言】电气类仿真问题,以及simulink基础模块问题解
simulink吧
全部回复
仅看楼主
level 8
德世科技😳
楼主
有问题尽管留言,会的尽自己最大努力解答
2018年11月02日 11点11分
1
level 2
柯北与小绿🐭
楼主,我有问题!
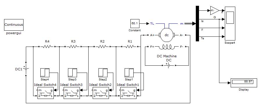
我的这个simulink模型实现的功能是直流电机的串电阻减压启动。
我想实现,实时监测Ia的大小,达到100A时自动触发理想开关,而不是用阶跃函数手动设置切除电阻的时间,这个能实现么?
我的想法是用自带的S function编程实现,但是我每次添加自定义模块都提示系统错误。
这个有什么办法解决么?
2018年11月02日 11点11分
2
德世科技😳
可以再电阻回路串联一个断路器呀,实测Ia判断Ia是否满足条件(有很多种方法),从而控制断路器的开断,有不懂的可以私聊我!
2018年11月02日 12点11分
幼稚園臥底
320V/DC转220V/AC准正弦波输出电压波形的单相全桥逆变电路设计simulink仿真始终得不到想要的波形,有大佬可以帮我看一下吗?可能是参数设置的问题吧,希望可以给我指出解决办法,在线等,急!谢谢了!
2020年05月28日 12点05分
level 2
柯北与小绿🐭
楼主,可以给个邮箱或者联系方式么?我可以把我现在搭好的发给你,能帮我看一下么?
有什么办法实现自动反馈控制。
2018年11月02日 12点11分
3
德世科技😳
不能直接给联系方式的哦,怕被封,你可以私聊我
2018年11月02日 12点11分
贴吧用户_Q4y269X
@德世科技😳
想请教大神一个问题,如果可以的话,能私聊吗,有偿。谢谢
2019年02月22日 12点02分
德世科技😳
@贴吧用户_Q4y269X
头像有联系方式
2019年02月25日 15点02分
笨m小鬼
请问楼主,simulink里面放大器怎么弄
2019年04月26日 08点04分
level 2
柯北与小绿🐭
无偿帮我解决了很大的问题!
真的很耐心,很细致,水平有七八层楼那么高!
超级超级感谢!
大家有问题可以来提问哦!
比心!
2018年11月02日 13点11分
4
红尘落泪SD
你好,你能把你的文件发我一份吗
2018年12月24日 15点12分
红尘落泪SD
想用来学习一下
2018年12月24日 15点12分
level 1
cheson33
楼主你好,我目前刚刚接触simulink,所以还不太懂,下图是我们的一个作业,请问要求里面的步长在这里面特指的含义是什么呢?还有如果可以的话能不能给我提示一下建模思路?谢谢
2018年11月04日 14点11分
6
德世科技😳
建议你可以在仿真参数设置中设置仿真位fix step(应该可以百度得到),将步长值设置为不同的值再看看效果,也许你就能够理解了
2018年11月05日 12点11分
level 1
好孩子de鬼故事
楼主你好,我在做永磁同步电机电流滞环控制的仿真,请问转速环的pid参数如何利用matlab自带的pid tuner来整定?谢谢。
2018年11月06日 06点11分
8
德世科技😳
不好意思,这个没有用过,平时都是自己调的
2018年11月07日 03点11分
level 2
小雨宇哥
simulink中 wpdec函数的源代码 是什么啊
2018年11月06日 11点11分
9
德世科技😳
在窗口输入:open wpdec.m
2018年11月07日 03点11分
level 1
一个男吧友😈
我想搭一个状态方程的模型(不用state-space),请问如何给状态变量设置初值
2018年11月07日 12点11分
12
德世科技😳
这方面没有太多接触,不过给你一个建议,积分器微分器都是可以设初值的
2018年11月07日 14点11分
德世科技😳
2018年11月09日 07点11分
level 1
XIEJUNYUzs
这样的滑动变阻器SIMULINK里面有吗
2018年11月12日 06点11分
13
德世科技😳
不好意思,这个不太清楚,有也没用过,不过可以自己搭建
2018年11月12日 10点11分
level 2
hao1119639505
编译运行程序时报错如图,什么原因,怎么解决,谢谢。
2018年11月13日 02点11分
14
hao1119639505
@德世科技😳
没看到qq啊,我私信你了贴吧上
2018年11月13日 09点11分
level 3
贴吧用户_0NZPSKN
我照着书上写的 结果波形图错了,能帮我看看吗
2018年11月13日 09点11分
15
德世科技😳
可以发给我,帮你看看
2018年11月13日 12点11分
level 8
德世科技😳
楼主
可以发给我帮你看看
2018年11月13日 10点11分
16
level 1
艾利克斯♬
求一份用simlink建模仿真二阶电路响应的答案
2018年11月14日 00点11分
17
德世科技😳
?
2018年11月14日 12点11分
level 6
乀柠凉
三相pwm并网逆变,电流波形有问题,求助
2018年11月14日 02点11分
18
德世科技😳
这个问题好解决,发给我,我帮你调
2018年11月14日 12点11分
乀柠凉
@德世科技😳
很热心,也很耐心,顶一个
2018年11月14日 13点11分
level 8
德世科技😳
楼主
什么意思
2018年11月14日 12点11分
19
1
2
3
4
5
6
尾页