有没有学光伏组件matlab仿真的大佬,请往这边看
simulink吧
全部回复
仅看楼主
level 2
Ben13☞☜ 楼主
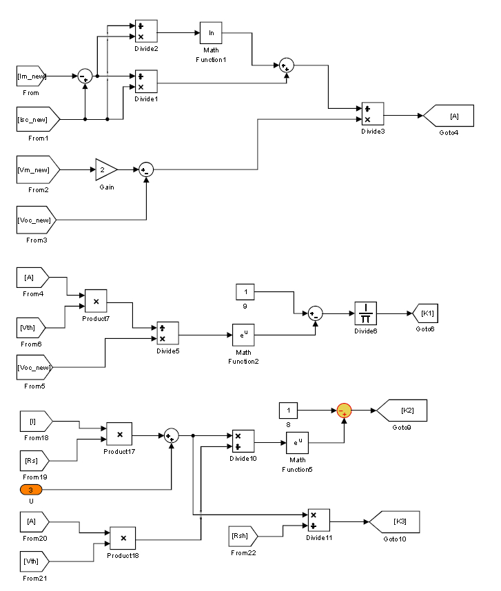
小弟最近在看有关光伏组件的东西。遇到问题了,发现光伏组件的仿真一般情况下都是忽略了光伏电池串联电阻、光伏电池并联电阻的,就是理想情况下进行的建模。我想问一下有没有大佬会什么五参数的建模或者四参数的建模啊,我有几个问题。。还有simulink中的代数环要如何解决啊。。
类似于这种表达式,我觉得啊。肯定会出现代数环的。。。那应该如何解决了。。
2018年10月16日 01点10分 1
level 12
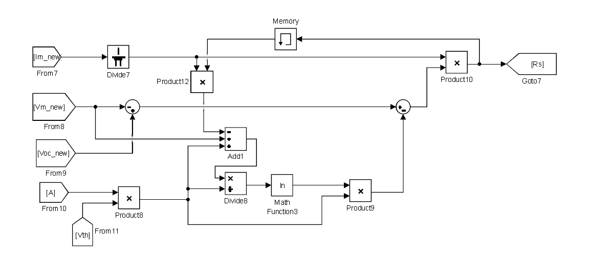
加memory模块
2018年10月16日 12点10分 2
加了。也有问题。。
2018年10月16日 12点10分
要怎么加啊?老哥。。应该在哪个位置加,能指点一下吗?
2018年10月20日 03点10分
level 2
Ben13☞☜ 楼主
加了memory之后,就出现这种问题Algebraic state in algebraic loop containing 'test_ben/PV ARRAY/Sum16' computed at time 0.0 is Inf or NaN. There may be a singularity in the solution. If the model is correct, try reducing the step size (either by reducing the fixed step size or by tightening the error tolerances)
2018年10月16日 12点10分 3
level 2
Ben13☞☜ 楼主
2018年10月16日 12点10分 4
level 2
Ben13☞☜ 楼主
2018年10月16日 12点10分 5
level 2
Ben13☞☜ 楼主
希望大佬能帮我看一下,万分感谢。。小弟时matlab新手,现在弄着光伏组件的建模问题。。
2018年10月16日 12点10分 6
level 1
同是这个问题,楼主解决了吗
2020年04月09日 08点04分 8
1