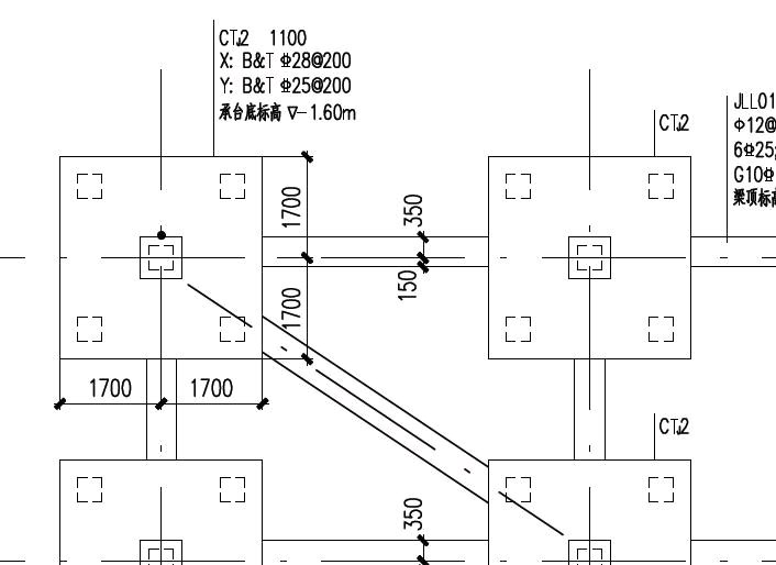
帮忙翻译一下图纸,那个虚线又是什么意思
土木工程吧
全部回复
仅看楼主
level 7
勤奋的海天力量
楼主
帮忙翻译一下图纸,那个虚线又是什么意思
2018年09月05日 02点09分
1
level 7
勤奋的海天力量
楼主
CTj2 1100是指基础高吗
2018年09月05日 02点09分
2
wxwx3456
ctj2是承台的编号,1100是承台的厚度
2018年09月05日 05点09分
level 13
wxwx3456
虚线不知道你说的是哪个,正方形那个是桩位,在这张承台图里面只是一个示意,因为桩在承台下面没法直接看到所以用虚线表示,这个你看桩位图就能看到详细的信息。
2018年09月05日 05点09分
3
level 13
wxwx3456
如果你说的是那个一短一长的点划线,那个是定位轴线
2018年09月05日 05点09分
4
1