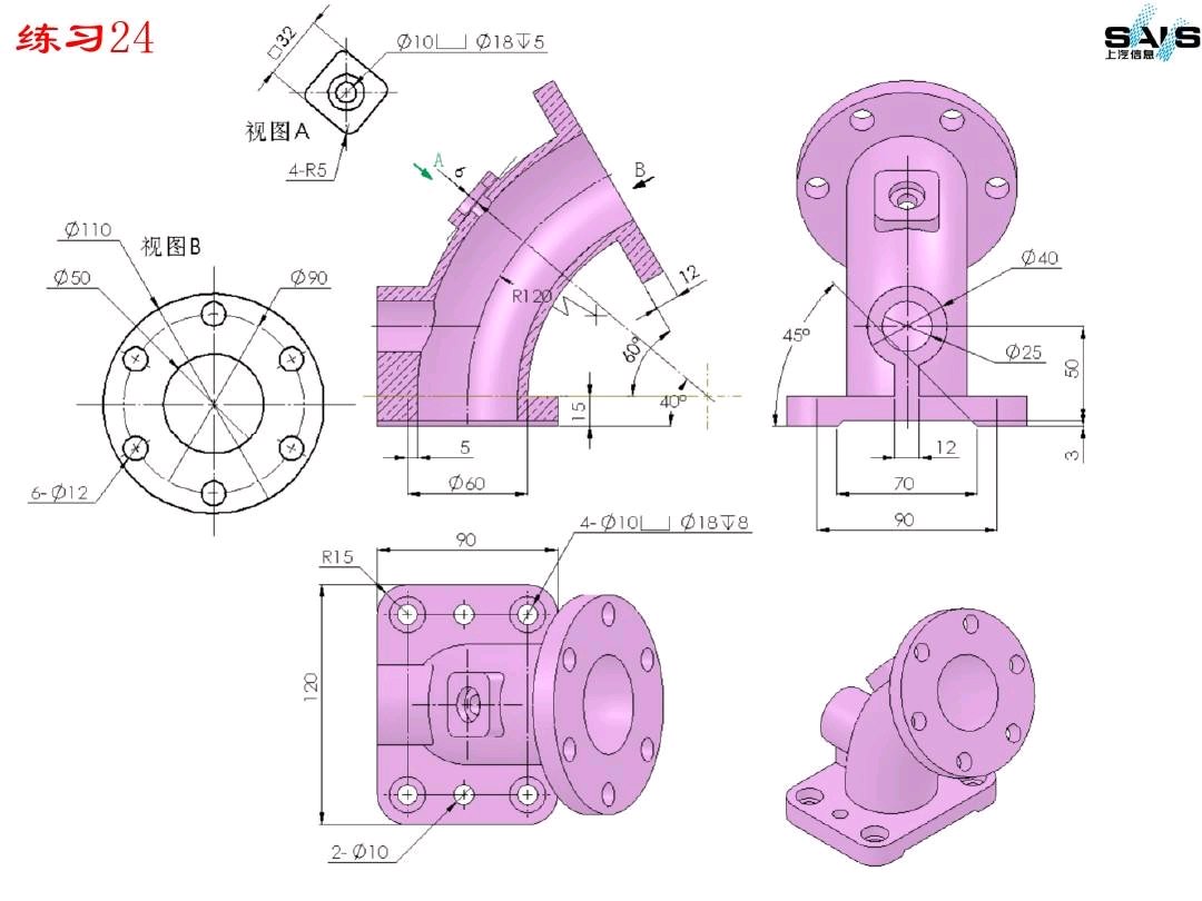
求大神指点 视图A的基准平面 怎么确定的 其他的画好了
proe吧
全部回复
仅看楼主
level 5
剑客a
楼主
求大神指点 视图A的基准平面 怎么确定的 其他的画好了 新手 谢谢
2018年07月17日 10点07分
1
level 12
笨笨YJ35
和圆心那属于同位角都是40度
2018年07月17日 12点07分
2
剑客a
60。 40 我知道是同心圆 我不知道视图A的平面怎么求出来 求出来就好办 谢谢
2018年07月17日 13点07分
剑客a
已经画好 谢谢
2018年07月17日 14点07分
level 12
笨笨YJ35
这个孔的短边定位尺寸设计意图不明显、只能猜测按60画
2018年07月17日 12点07分
3
1