30元红包请老哥画个图
protues吧
全部回复
仅看楼主
level 2
SANS🌂 楼主
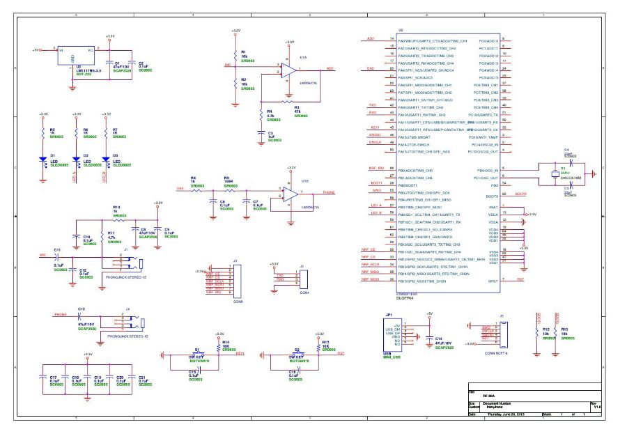
stm32-24l01对讲机原理图,图已经有了照着画就行,需要画好的文件,最好在帮我标注一下图上的模块都是什么意思,看不懂[泪]
2018年05月20日 09点05分 1
level 2
SANS🌂 楼主
这个图不是很看的清,热心老哥可以加我qq535834264,发高清点的图
2018年05月20日 09点05分 2
1