level 3
ying21314
楼主
为了体现公开、公正和民主监督的原则,佛山市顺德区星亮亮塑料制品有限公司现将下列建设项目竣工环境保护自主验收的相关内容予以公示,公示时间为2018年4月3日-2018年5月2日,公示期间,任何单位或个人如对公示项目存在异议,可通过来电、来信反映问题,佛山市顺德区星亮亮塑料制品有限公司将对所反映的问题进行核实和处理,并作为环保自主验收依据之一。
公示单位:佛山市顺德区星亮亮塑料制品有限公司
联系地址:佛山市顺德区伦教霞石村委会工业东路 15 号之一
联系电话:
13702268655
佛山市顺德区星亮亮塑料制品有限公司根据《建设项目环境保护管理条例》和《建设项目竣工环境保护验收暂行办法》,依照国家有关法律法规、建设项目竣工环境保护验收技术规范、项目环境影响报告和审批部门审批决定等要求组织本项目验收,验收人员包括建设单位和验收单位。项目主要情况如下:
一、项目建设基本情况
佛山市顺德区星亮亮塑料制品有限公司建设项目位于佛山市顺德区伦教霞石村委会工业东路 15 号之一,中心地理位置坐标为:22.8776°,东经113.2481°,占地面积为700 平方米,经营面积为700 平方米,总投资20万元,其中环保投资为3万,占总投资的15%。
项目于2017年9月25日取得顺德区环境运输和城市管理局伦教分局,顺管(伦)环审[2017]216号,环评审批内容为:震德注塑机、穗华冲床机、破碎机、混色机各三台,多佳吹瓶机、乐善吹瓶机、运通吹瓶机、易冠吹瓶机、凌马吹瓶机、佳速吹瓶机、广州空压机、尚爱空压机、迅发冲床机、国威冲床机各1台,冷冻机 2台。项目生产流程为:注塑→破碎→成品→包装,分切→冲压→成品→包装
二、工程变动情况
项目实际建设情况与环评审批时一致,未发生重大变动。
三、环保保护措施落实情况
1、监测期间的生产工况
监测期间,该企业生产正常,生产负荷达到75%以上,满足验收监测技术规范要求。
2、废水
验收监测期间,本项目员工日常产生生活污水,生活污水经独立的生活污水处理设施处理后排入内河涌。
2、废气
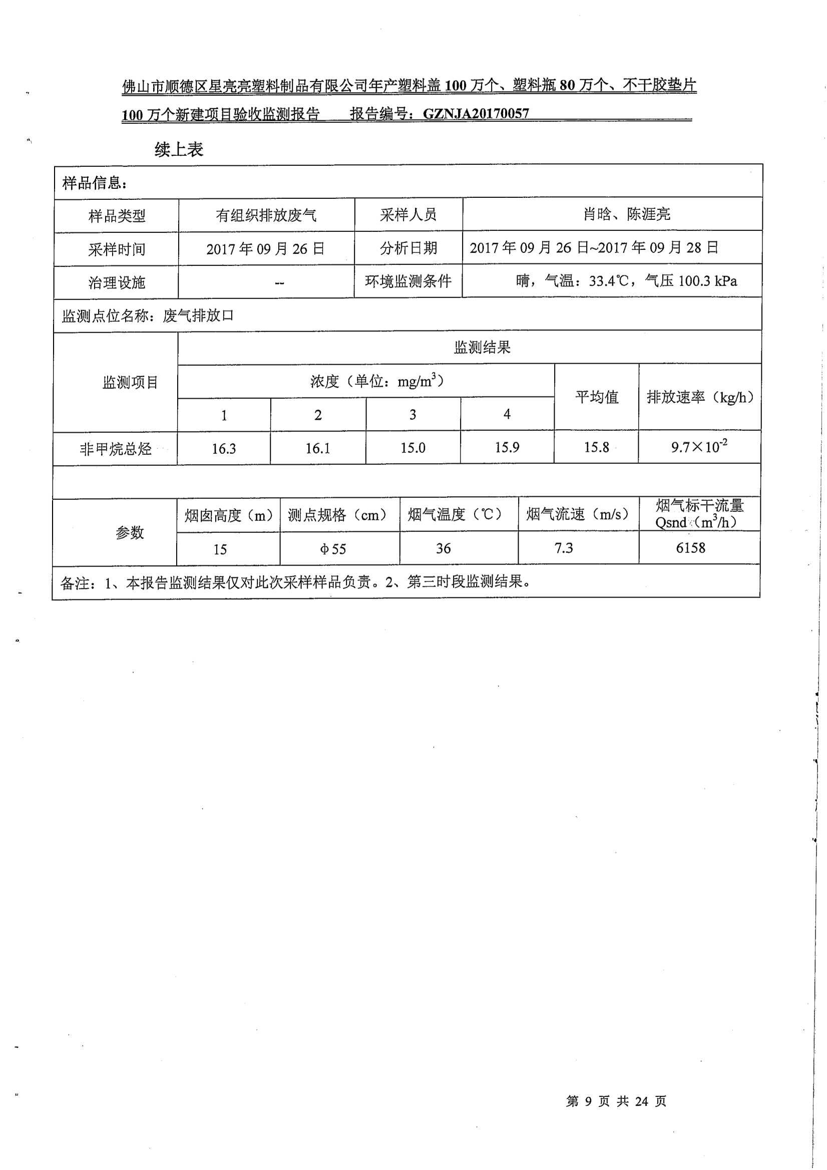
验收监测期间,本项目项目有注塑、吹塑工序,在此过程会产生一定量的有机废气,其污染因子主要为非甲烷总烃,企业配套处理量为10000m³/h的废气治理设备,机废气通过在注塑工序上安装集气罩,经收集后通过 15m 高的排气筒排放;验收监测期间,验收监测期间,本项目工艺废气排气筒非甲烷总烃监测项目符合《合成树脂工业污染物排放标准》(GB31572-2015)表 4大气污染物排放限值、表 9 企业边界大气污染物浓度限值;
本项目拌料、破碎工序产生少量粉尘,企业加强车间通风换气,废气无组织排放;验收监测期间,本项目无组织废气颗粒物监测项目符合《合成树脂工业污染物排放标准》(GB31572-2015)表 9 企业边界大气污染物浓度限值
3、噪声
验收监测期间,本项目设备在生产过程中产生噪声,企业对产生较大噪声的生产设备做相应的隔声、消声和减振处理,并利用距离衰减、墙体隔声等措施来降低噪声;验收监测期间,本建设项目厂界噪声符合《工业企业厂界环境噪声排放标准》(GB12348-2008)2类标准。
4、固废
本项目产生的危险**包括废机油、废机油桶、含机油抹布,企业设置危险**放置场所,规范化缓存危废;边角料、废包装材料分类收集后交由废品回收单位利用;生活垃圾一起交由环卫部门定期清运处理。
四、验收结论
项目执行了环保“三同时”制度,落实了污染防治措施;根据现场检查、验收监测及项目竣工环境保护验收报告结果,项目基本满足环评及批复要求,因此项目可以通过竣工环境保护自主验收。
附件
佛山市顺德区星亮亮塑料制品有限公司建设项目竣工环境保护验收监测报告















































2018年05月03日 08点05分
1
公示单位:佛山市顺德区星亮亮塑料制品有限公司
联系地址:佛山市顺德区伦教霞石村委会工业东路 15 号之一
联系电话:
13702268655
佛山市顺德区星亮亮塑料制品有限公司根据《建设项目环境保护管理条例》和《建设项目竣工环境保护验收暂行办法》,依照国家有关法律法规、建设项目竣工环境保护验收技术规范、项目环境影响报告和审批部门审批决定等要求组织本项目验收,验收人员包括建设单位和验收单位。项目主要情况如下:
一、项目建设基本情况
佛山市顺德区星亮亮塑料制品有限公司建设项目位于佛山市顺德区伦教霞石村委会工业东路 15 号之一,中心地理位置坐标为:22.8776°,东经113.2481°,占地面积为700 平方米,经营面积为700 平方米,总投资20万元,其中环保投资为3万,占总投资的15%。
项目于2017年9月25日取得顺德区环境运输和城市管理局伦教分局,顺管(伦)环审[2017]216号,环评审批内容为:震德注塑机、穗华冲床机、破碎机、混色机各三台,多佳吹瓶机、乐善吹瓶机、运通吹瓶机、易冠吹瓶机、凌马吹瓶机、佳速吹瓶机、广州空压机、尚爱空压机、迅发冲床机、国威冲床机各1台,冷冻机 2台。项目生产流程为:注塑→破碎→成品→包装,分切→冲压→成品→包装
二、工程变动情况
项目实际建设情况与环评审批时一致,未发生重大变动。
三、环保保护措施落实情况
1、监测期间的生产工况
监测期间,该企业生产正常,生产负荷达到75%以上,满足验收监测技术规范要求。
2、废水
验收监测期间,本项目员工日常产生生活污水,生活污水经独立的生活污水处理设施处理后排入内河涌。
2、废气
验收监测期间,本项目项目有注塑、吹塑工序,在此过程会产生一定量的有机废气,其污染因子主要为非甲烷总烃,企业配套处理量为10000m³/h的废气治理设备,机废气通过在注塑工序上安装集气罩,经收集后通过 15m 高的排气筒排放;验收监测期间,验收监测期间,本项目工艺废气排气筒非甲烷总烃监测项目符合《合成树脂工业污染物排放标准》(GB31572-2015)表 4大气污染物排放限值、表 9 企业边界大气污染物浓度限值;
本项目拌料、破碎工序产生少量粉尘,企业加强车间通风换气,废气无组织排放;验收监测期间,本项目无组织废气颗粒物监测项目符合《合成树脂工业污染物排放标准》(GB31572-2015)表 9 企业边界大气污染物浓度限值
3、噪声
验收监测期间,本项目设备在生产过程中产生噪声,企业对产生较大噪声的生产设备做相应的隔声、消声和减振处理,并利用距离衰减、墙体隔声等措施来降低噪声;验收监测期间,本建设项目厂界噪声符合《工业企业厂界环境噪声排放标准》(GB12348-2008)2类标准。
4、固废
本项目产生的危险**包括废机油、废机油桶、含机油抹布,企业设置危险**放置场所,规范化缓存危废;边角料、废包装材料分类收集后交由废品回收单位利用;生活垃圾一起交由环卫部门定期清运处理。
四、验收结论
项目执行了环保“三同时”制度,落实了污染防治措施;根据现场检查、验收监测及项目竣工环境保护验收报告结果,项目基本满足环评及批复要求,因此项目可以通过竣工环境保护自主验收。
附件
佛山市顺德区星亮亮塑料制品有限公司建设项目竣工环境保护验收监测报告














































