求大神指导,编辑元件时遇到困难,在线等大神解答
protel吧
全部回复
仅看楼主
level 1
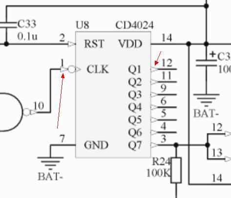
魔王独狼 楼主
protel新手,编辑元件CD4024的时候,引脚上的三角不知道是什么部件,小圆圈和矩形内的符号知道是点符号和Clk符号
2018年03月07日 14点03分 1
1