等离子扬声器
zvs吧
全部回复
仅看楼主
level 13
BU407
楼主
如题
2017年12月27日 15点12分
1
level 13
BU407
楼主
12v5a
2017年12月27日 15点12分
2
level 13
BU407
楼主
效果
2017年12月27日 15点12分
3
level 13
BU407
楼主
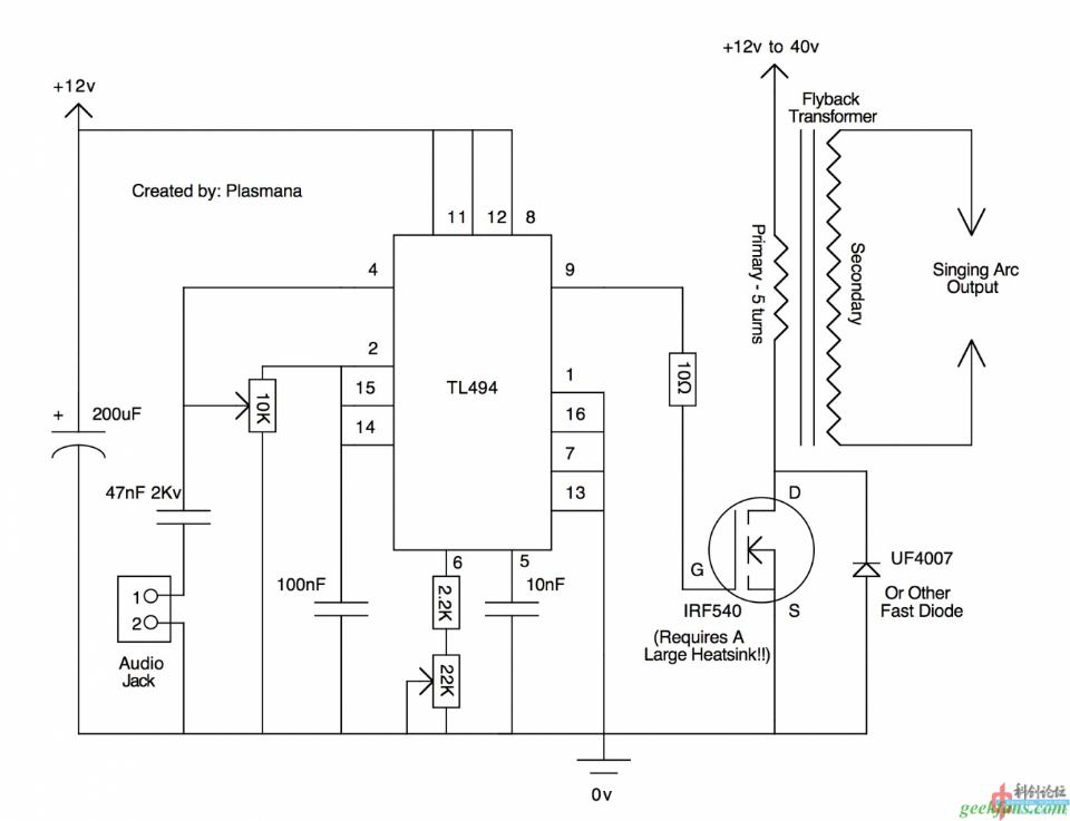
管子10N60,芯片TL494,想必不用再说了吧
2017年12月27日 15点12分
4
Optin-X
10A600V
2017年12月27日 15点12分
破晓G子夜
猜猜我是谁
2021年08月08日 11点08分
level 10
Optin-X
CCFL变压器好评!
2017年12月27日 15点12分
5
level 11
励磁器狂人
放在手上玩
2017年12月28日 00点12分
6
BU407
2017年12月28日 04点12分
level 13
☞小刚💤💤
我的
2017年12月28日 07点12分
7
BU407
这个要有多少年了
2017年12月28日 10点12分
☞小刚💤💤
@BU407
什么多少年
2017年12月28日 11点12分
Tab
回复 ☞小刚💤💤 :都尘封了啊
2017年12月28日 13点12分
☞小刚💤💤
回复
15893466779abc
:灰尘有点大
2017年12月28日 13点12分
level 11
病名为爱😜
2017年12月28日 13点12分
8
level 13
BU407
楼主
电路图来一波
2017年12月28日 14点12分
10
BU407
补充:电路中47nF电容可换为105独石电容。
2017年12月28日 14点12分
☞小刚💤💤
@BU407
我的是把初级线圈那儿接的zvs
2017年12月28日 14点12分
忆__旧
具体能听到声音的原理是放电的频率不同还是强度不同?TL494不是应该实现了spwm调制吗?萌新求解答
2021年08月17日 10点08分
忆__旧
具体能听到声音的原理是放电的频率不同还是强度不同?TL494不是应该实现了spwm调制吗?萌新求解答
2021年08月17日 10点08分
level 12
十四工作室
音质渣到爆
2017年12月28日 14点12分
11
AMDPENTIUM
+1
2018年01月02日 10点01分
level 12
F_U_C_K_S_HIT
TrueMusic™
2017年12月28日 15点12分
12
level 13
℧¹²
图腾都没有还炫
2017年12月29日 10点12分
13
level 11
疯狂的拖鞋🔯
楼主,你那个变压器的引脚怎么接
2017年12月30日 00点12分
14
level 11
等一下我☞
变压器去哪买,tb搜啥?
2018年01月02日 07点01分
15
☞alpha☜
高压包就行了
2018年01月02日 10点01分
level 13
BU407
楼主
又重做了一个
2018年01月02日 11点01分
16
BU407
推黑白电视高压包
2018年01月02日 11点01分
1
2
尾页