请教题
simulink吧
全部回复
仅看楼主
level 1
神不神再说
楼主
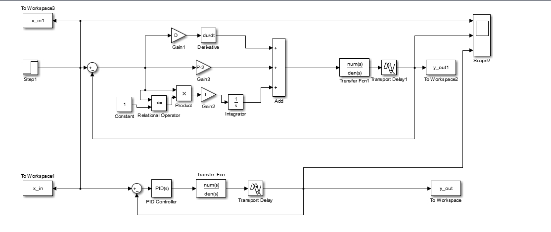
有人懂这个是根据什么搭建的吗?
2017年05月17日 03点05分
1
level 1
纠结的尽头在哪
阶跃信号的两种pid调节,一种有反馈一种没有。
2017年05月17日 09点05分
2
神不神再说
谢谢你
2017年05月17日 09点05分
纠结的尽头在哪
@神不神再说
说错了,两种pid调节都有反馈,只是方式不同。
2017年05月17日 10点05分
1