level 8
蓝色世界树
楼主
1、多功能智能门禁锁简介
安全被越来越多的受到重视,门禁锁越来越普及,而且需求越来越复杂,有几个人必须同时刷卡才能进入;有的只有在规定时间段才能进入;有的第一个门锁关上之后,才能刷第二个门锁。
普通门禁锁不能实现需求的多样性,所以设计一种智能门锁通过网络连接服务器,通过上位机软件在服务器的配置,来实现多种需求。本作品系统方案如下
(1)门禁锁和服务器采用网络通讯,UDP协议,增加实时性。
(2)门禁锁通过控制继电器来控制门锁开关。
(3)服务器和软件采用LAMP(linux+apache+mysql+php)架构,提高安全和稳定性。
(4)通过上位机软件配置服务器实现门锁时间限制,人数限制,多重门锁逻辑功能。
后期由于实际项目需要扩展加入了一些AI AO DI DO 部分。此部分不在该文档范围之内,也不在本课题范围内。
2、亮点
(1)隔离电源设计,每个模块单独用一路电源,将电源耦合性降到最低。
(2)基于网络传输,反应速度快,在一个网络总线中,可以挂接多个模块,优于当前主流的单一485解决方案。
(3)网络传输与485传输并存,增加已有网络挂接的兼容性。
(4)解决工程施工中的布线难题,传统485型门禁锁在施工中,线路需要重新布设,严重增加人力物力成本。而基于网络的门禁锁在很大限度上可以重复利用已有网络(很多办公楼都会事先预留网络接口),进行布设,将布线成本降到最低。
3、系统构架图

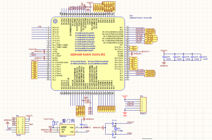
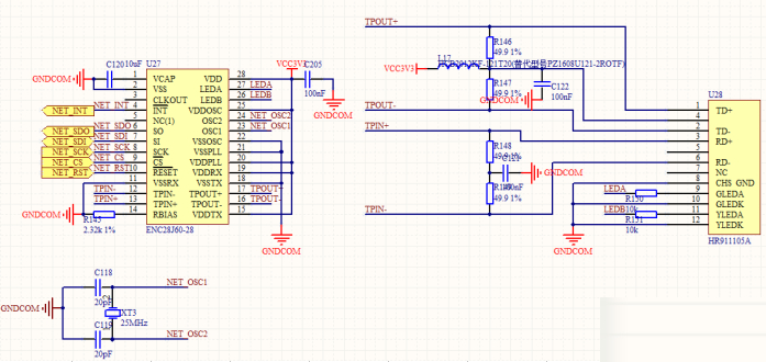
4、原理图
(1)电源,输入24V一路输出12V电源用于给门禁锁部分供电,一部分稳压至5V后稳压至3.3V 给cpu,485,继电器等其他模块供电。

(2)MCU控制器使用msp430f5438A作为主芯片,12M晶振,外置看门狗,为以后扩展功能性能奠定了基础。

(3)485输出部分,两路,为级联通讯锁,控制使用。

(4)网络部分,使用成熟的ENC29J60方案,自带MAC PHY协议栈,SPI接口,搭载HR91105A隔离变压器RJ45,提供稳定的网络服务。

5、材料清单(BOM列表)
1.MSP430F5438A 主芯片。
2.LM2574M-ADJ 稳压芯片。
3.G5V-1-24VDC继电器。
4.IB0503XT-1WR2 3.3V隔离稳压电源。
5.ENC28J60 网络芯片,提供UDP服务。
6.6N137光耦隔离芯片。
7.sp3495 485芯片。
8.HR91105A 带隔离变压器RJ45口。
6、PCB实物图



7、总结
在实验室的作品和在实际现场的产品还是有差距的。在实验室做好的东西,拿到现场就会出各种各样的问题。最终原因还是在设计的细节上存在缺陷,希望广大电工朋友们在前期设计时不要存侥幸心理,不注重一些细节的处理,这样在将来产品使用上会吃大亏。正如墨菲定律所言(1)任何事都没有表面看起来那么简单;(2)所有的事都会比你预计的时间长;(3)会出错的事总会出错;(4)如果你担心某种情况发生,那么它就更有可能发生。将天下大事作于细。
立创商城(http://www.szlcsc.com)成立于2011年,致力于为客户提供一站式电子元器件线上采购的网上商城,成交量
遥遥领先
,自建6000多平米现代化元器件仓库,现货库存超40000种。
2017年05月15日 05点05分
1
安全被越来越多的受到重视,门禁锁越来越普及,而且需求越来越复杂,有几个人必须同时刷卡才能进入;有的只有在规定时间段才能进入;有的第一个门锁关上之后,才能刷第二个门锁。
普通门禁锁不能实现需求的多样性,所以设计一种智能门锁通过网络连接服务器,通过上位机软件在服务器的配置,来实现多种需求。本作品系统方案如下
(1)门禁锁和服务器采用网络通讯,UDP协议,增加实时性。
(2)门禁锁通过控制继电器来控制门锁开关。
(3)服务器和软件采用LAMP(linux+apache+mysql+php)架构,提高安全和稳定性。
(4)通过上位机软件配置服务器实现门锁时间限制,人数限制,多重门锁逻辑功能。
后期由于实际项目需要扩展加入了一些AI AO DI DO 部分。此部分不在该文档范围之内,也不在本课题范围内。
2、亮点
(1)隔离电源设计,每个模块单独用一路电源,将电源耦合性降到最低。
(2)基于网络传输,反应速度快,在一个网络总线中,可以挂接多个模块,优于当前主流的单一485解决方案。
(3)网络传输与485传输并存,增加已有网络挂接的兼容性。
(4)解决工程施工中的布线难题,传统485型门禁锁在施工中,线路需要重新布设,严重增加人力物力成本。而基于网络的门禁锁在很大限度上可以重复利用已有网络(很多办公楼都会事先预留网络接口),进行布设,将布线成本降到最低。
3、系统构架图

4、原理图(1)电源,输入24V一路输出12V电源用于给门禁锁部分供电,一部分稳压至5V后稳压至3.3V 给cpu,485,继电器等其他模块供电。

(2)MCU控制器使用msp430f5438A作为主芯片,12M晶振,外置看门狗,为以后扩展功能性能奠定了基础。
(3)485输出部分,两路,为级联通讯锁,控制使用。
(4)网络部分,使用成熟的ENC29J60方案,自带MAC PHY协议栈,SPI接口,搭载HR91105A隔离变压器RJ45,提供稳定的网络服务。
5、材料清单(BOM列表)1.MSP430F5438A 主芯片。
2.LM2574M-ADJ 稳压芯片。
3.G5V-1-24VDC继电器。
4.IB0503XT-1WR2 3.3V隔离稳压电源。
5.ENC28J60 网络芯片,提供UDP服务。
6.6N137光耦隔离芯片。
7.sp3495 485芯片。
8.HR91105A 带隔离变压器RJ45口。
6、PCB实物图



7、总结在实验室的作品和在实际现场的产品还是有差距的。在实验室做好的东西,拿到现场就会出各种各样的问题。最终原因还是在设计的细节上存在缺陷,希望广大电工朋友们在前期设计时不要存侥幸心理,不注重一些细节的处理,这样在将来产品使用上会吃大亏。正如墨菲定律所言(1)任何事都没有表面看起来那么简单;(2)所有的事都会比你预计的时间长;(3)会出错的事总会出错;(4)如果你担心某种情况发生,那么它就更有可能发生。将天下大事作于细。
立创商城(http://www.szlcsc.com)成立于2011年,致力于为客户提供一站式电子元器件线上采购的网上商城,成交量
遥遥领先
,自建6000多平米现代化元器件仓库,现货库存超40000种。