UPQC
simulink吧
全部回复
仅看楼主
level 1
西木04 楼主
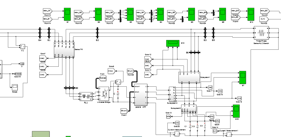
大神们有没有人做UPQC,我搭建 模型不知道为什么,universal bridge模块的IGBT时。运行特别慢,而且电网电流特别大
2017年01月11日 08点01分 1
1