我用6脉冲触发做三相全控整流,为什么在0的地方有一次触发
simulink吧
全部回复
仅看楼主
level 1
山人啦啦啦
楼主
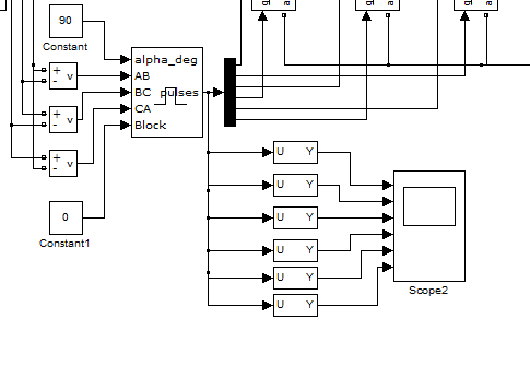
其他都正常,如图,
求dalao帮助
2016年10月22日 06点10分
1
level 1
山人啦啦啦
楼主
我看了下帮助手册里的,好像也是0的时候触发一次。。。
2016年10月22日 09点10分
2
level 1
书歌子
那个六脉冲里的~ abBC ca怎么弄得
2018年06月06日 13点06分
4
1