求大神帮助仿真
quartus吧
全部回复
仅看楼主
level 1
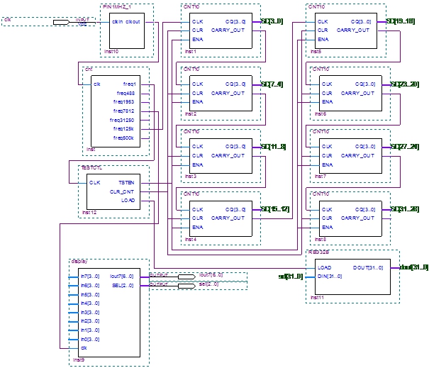
这个有哪些接线不完善地方
2016年05月09日 08点05分 1
1