大神帮帮忙,
protel吧
全部回复
仅看楼主
level 4
超级小林8 楼主
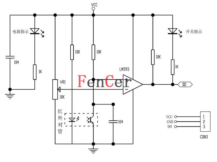
帮忙画一下这个电路图,万分感谢!!!!!
2016年04月21日 01点04分 1
1