level 13
KOF2002FANS
楼主

25%占空比的开关信号。振荡有点严重,不过测试过还能用,也没空闲再去改进了。。输出电压几乎没有波纹,振幅跟背景噪音差不多,除了开关信号下降和上升沿时会有比较明显的振荡之外没其他毛病。。
闭环用的补偿函数也有些懒得去设计了,因为Boost电路特有的RHP零点甚是蛋疼,拿PID函数试了半天都弄不出PM>45来。。

25%占空比的开关信号。振荡有点严重,不过测试过还能用,也没空闲再去改进了。。
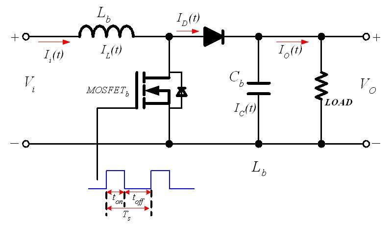
占空比就是D=ton/toff
具体值见BOOST一栏