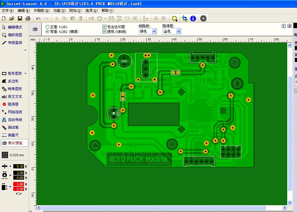
IE3.0 MX518杂交最新进展,PCB基本完成
ie3.0吧
全部回复
仅看楼主
level 1
雾都浪少
楼主
IE3.0 MX518杂交最新进展,PCB改了好几次,PCB基本完成 ,正在曝光绿油
2014年08月02日 15点08分
1
level 11
senyao9108
楼主大神
2014年08月02日 15点08分
2
level 14
王二麻子
大神
2014年08月02日 15点08分
3
level 12
噢噢噢哦哦大鹅
大神我一直在关注你
2014年08月02日 15点08分
4
level 11
▫IlIIlI
大神
2014年08月02日 16点08分
5
level 13
妹汁控88
楼主用什么烧写 一般的还真的不行 像我们SP3肯定就不行
2014年08月02日 17点08分
6
雾都浪少
不需要烧写 这芯片内部本身就自带固件了 因为是拆IE3.0的芯片
2014年08月02日 17点08分
妹汁控88
回复 雾都浪少 :了解 技术宅 你出样以后还要刷胶呢哇
2014年08月03日 02点08分
level 12
H71雅丶
大神
2014年08月02日 17点08分
7
level 12
伏Kevin
我操 我好像有点看懂了
顿时感到牛b !!!
2014年08月02日 18点08分
8
level 13
Eassio
真正动手党
2014年08月02日 18点08分
9
level 1
雾都浪少
楼主
已经焊上部分元件 夜深了累了 明天再搞
2014年08月02日 18点08分
10
level 9
求全新正品io
牛鼻!
2014年08月02日 20点08分
11
level 15
徐会玩😂
膜拜
2014年08月02日 22点08分
12
level 11
有龙飞
真牛逼,跪了!!!
2014年08月03日 01点08分
13
level 12
辽一漫娘
膜拜
2014年08月03日 01点08分
14
level 12
抵死老命
吊炸天啊!IE FUCK 518
2014年08月03日 01点08分
15
level 9
也许我很天真7
膜拜 大神
2014年08月03日 02点08分
16
level 15
桑离外设工作室
开个鼠标工厂吧…吧里的都去工作
2014年08月03日 03点08分
17
level 10
娚勃丸是我
真正的技术帝
2014年08月03日 04点08分
18
level 10
娚勃丸是我
我想找你定制,我也想把3.0移植到mx518里面,等你做好测试好我找你定制
2014年08月03日 04点08分
19
level 12
紫色馥郁
大神
2014年08月03日 05点08分
20
1
2
3
尾页