16路循环彩灯控制器
multisim吧
全部回复
仅看楼主
level 13
A1411464185 楼主
《电子技术课程设计》任务书
1.课程设计的内容和要求(包括原始数据、技术要求、工作要求等):
2.对课程设计成果的要求〔包括图表(或实物)等硬件要求〕:
设计电路,安装调试或仿真,分析实验结果,并写出设计说明书,语言流畅简洁,文字不得少于3500字。要求图纸布局合理,符合工程要求,使用Protel软件绘出原理图(SCH)和印制电路板(PCB),器件的选择要有计算依据。
4.课程设计工作进度计划:
序号 起迄日期 工 作 内 容
1. 2013.10.28-2012.10.31 资料查找和阅读
2 2013.11.1-2013.11.10 电路方案选择,电路设计和计算,电路仿真
3 2013.11.11-2013.11.26 材料购买,电路设计和PCB设计
4 2013.11.27-2013.12.8 PCB制作,电路元器件安装
5 2013.12.9-2013.12.15 作品调试
6 2013.12.16-2013.12.20 课程设计设计说明书写作
主指导教师 ******* 日期: 2013年 10月 18 日
-------------------又到了学长勾引学妹、学妹勾搭学长、学姐垂涎学弟、学弟攀附学姐、学姐嫉妒学妹、学妹憎恨学姐、学长抛弃学姐、学姐报复学长、学长欺瞒学弟、学弟巴结学长、学弟追求学妹、学妹拒绝学弟的季节了……--------------------————————————————————————
2014年06月01日 17点06分 1
level 13
A1411464185 楼主
引言
电力电子是一门理论性强、工程应用广的专业基础课程。为了训练读者对数字电路及系统的理解,设计、调试的实际动手能力,特在电力电子课程中设置了课程设计这一重要的实践环节,以便在实践中掌握数字系统的设计方法。
彩灯控制器设计简介 :利用移位寄存器和计数器等设计一彩灯控制电路,改变电路的不同工作状态,控制彩灯变幻出不同的闪烁效果。电路实用,也可以通过计算机仿真直观地看到循环彩灯的控制效果,综合运用所学数字电路知识,学会设计和调试方法, 从而产生浓厚兴趣。如果稍微改动控制电路,可以更加完善,完成基于移位寄存器的彩灯控制器设计。
在现代生活中,彩灯作为一种装饰,既可以增强人们的感观,起到广告宣传的作用,又可以增添节日气氛,为人们的生活增添亮丽,用在舞台上增强晚会灯光效果,利用控制电路可使彩灯(例如霓虹灯)按一定的规律不断的改变状态,不仅可以获得良好的观赏效果,而且可以省电(与全部彩灯始终全亮相比)。因此,彩灯控制电路应用越来越丰富我们的生活,成为我们生活不可缺少的一部分。本课题是利用四位双向移位寄存器为核心元件实现彩灯的循环控制。
--------------------水货楼主,你要的水到了,立马滚下来付钱--------------------————————————————————————
2014年06月01日 17点06分 3
level 13
A1411464185 楼主
一.设计要求及主要技术指标
要求:要求输出功率 >0.1W,电源电压为DC5V,利用按键控制彩灯循环显示。
二.实验任务、要求及提示
可以采用555、74HC163和74LS154作为控制器,LED作为彩灯制作十六路循环彩灯。
综合运用已学习过模拟电路和数字电路等知识,阅读相关集成电路芯片资料和相关文献,了解电子电路设计的有关知识,方法和特点,掌握基本的电子电路设计和芯片使用方法。
三.设计方案的选择和电路框图
一.脉冲的产生方案选择
一.使用晶振和外加电路,然后再加分频器来得到脉冲输出.
二.使用NE555芯片和其他元件构成多谐振荡器,同步调节元件参数来得到脉冲参数。
通过对两种方案的比较后选择,本设计选择后一种,以为后一种方便,而且原理简单,设计方便。
--------------------水货楼主,你要的水到了,立马滚下来付钱--------------------————————————————————————
2014年06月01日 17点06分 4
level 13
A1411464185 楼主
五、各单元电路的设计、计算和说明
(一)555时序电路
在这次课程设计中,555定时器用来产生脉冲信号。因此把555定时器接成多谐震荡器。R2、R3、C1.C2为定时元件。
555多谐振荡器
(二)74LS191计数部分
因为在试验中需要一个16进制的计数器,因此采用74LS191加减计数器。我们可以改变计数器的加减来控制译码器的输入情况。置数端A、B、C、D分别置0。4脚接地,11脚为异步置数控制端,高电平有效,接高电平。14脚接脉冲信号,同555定时器的OUT脚向接。通过单刀双掷开关来控制74LS191计数器的加减。
74LS191计数器
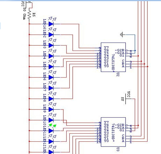
(三)74LS138译码电路与LED显示部分
74LS138为3—8线译码器,只有8个输出端,而在实验中须驱动16个LED,所以用两个74LS138扩展成4—16线译码器。扩展接法如上图6。扩展后形成的四个输入端分别同74LS191计数器的QA、QB、QC、QD相接。通过改变QA、QB、QC、QD与四个输入端的连接方法来控制LED的亮灭顺序。
因为74LS138译码器输出端低电平有效,所以LED显示部分采用共阳极接法,负极分别接在74LS138的输出端上。
74LS138译码电路与LED显示部分的电路图如图11。
图11、74LS138译码电路与LED显示电路
--------------------水货楼主,你要的水到了,立马滚下来付钱--------------------————————————————————————
2014年06月01日 17点06分 6
level 12
插楼!
2014年06月01日 17点06分 7
插楼可耻[升起]
2014年06月01日 18点06分
回复 A1411464185 :用小尾巴骗经验更可耻!!
2014年06月02日 03点06分
level 13
A1411464185 楼主
-------------------又到了学长勾引学妹、学妹勾搭学长、学姐垂涎学弟、学弟攀附学姐、学姐嫉妒学妹、学妹憎恨学姐、学长抛弃学姐、学姐报复学长、学长欺瞒学弟、学弟巴结学长、学弟追求学妹、学妹拒绝学弟的季节了……--------------------————————————————————————
2014年06月01日 17点06分 8
level 13
A1411464185 楼主
六、整体电路图
-------------------又到了学长勾引学妹、学妹勾搭学长、学姐垂涎学弟、学弟攀附学姐、学姐嫉妒学妹、学妹憎恨学姐、学长抛弃学姐、学姐报复学长、学长欺瞒学弟、学弟巴结学长、学弟追求学妹、学妹拒绝学弟的季节了……--------------------————————————————————————
2014年06月01日 18点06分 9
把你的小尾巴给我去掉……作为吧主留这个小尾巴成什么样子……
2014年06月01日 18点06分
回复 无极限1991 :你是打算我把这个帖子删了???[委屈]
2014年06月01日 18点06分
回复 A1411464185 :可以啊,我把资料复制走,然后我去掉小尾巴重新发
2014年06月01日 18点06分
@无极限1991 :完全可以,只不过没图   --来自LOL助手版贴吧客户端
2014年06月02日 03点06分
level 13
A1411464185 楼主
七、所用元件及器材
1、芯片:NE555,1块;74LS191,1块;74LS138,2块;
2、电阻:100Ω,16个;10KΩ,1个;1MΩ,1个;
3、 电容:0.01μF,1个;0.47μF,1个;
4、 LED:红色,16个;绿色,1个;
5、 面包板:SYB-120,一块。
-------------------又到了学长勾引学妹、学妹勾搭学长、学姐垂涎学弟、学弟攀附学姐、学姐嫉妒学妹、学妹憎恨学姐、学长抛弃学姐、学姐报复学长、学长欺瞒学弟、学弟巴结学长、学弟追求学妹、学妹拒绝学弟的季节了……--------------------————————————————————————
2014年06月01日 18点06分 10
level 13
A1411464185 楼主
八.芯片功能
1、NE555
NE555 (Timer IC)大约在1971年由Signetics Corporation发布,在当时是唯一非常快速且商业化的Timer IC,在往后的30年来非常普遍被使用,且延伸出许多的应用电路,尽管近年來CMOS技术版本的Timer IC如MOTOROLA的MC1455已被大量的使用,但原规格的NE555依然正常的在市场上供应,尽管新版IC在功能上有部份的改善,但其脚位劲能并没变化,所以到目前都可直接的代用。
NE555是属于555系列的计时IC的其中的一种型号,555系列IC的接脚功能及运用都是相容的,只是型号不同的因其价格不同其稳定度、省电、可产生的振荡频率也不大相同;而555是一个用途很广且相当普遍的计时IC,只需少数的电阻和电容,便可产生数位电路所需的各种不同频率的脉波讯号。
555定时器是一种模拟和数字功能相结合的中规模集成器件。一般用双极性工艺制作的称为 555,用 CMOS工艺制作的称为 7555,除单定时器外 ,还有对应的双定时器 556 /7556。 555定时器的电源电压范围宽 ,可在 4. 5V~16V工作 , 7555可在 3~18V工作 ,输出驱动电流约为 200mA ,因而其输出可与 TTL、CMOS或者模拟电路电平兼容。
555定时器的各项参数及工作环境如表1
表1、555定时器的各项参数及工作环境
555定时器成本低 ,性能可靠 ,只需要外接几个电阻、容 ,就可以实现多谐振荡器、稳态触发器及施密特触发器等脉冲产生与变换电路。它也常作为定时器广泛应 用于仪器仪表、家用电器、电子测量及自动控制等方面。
555定时器的内部电路框图和外引脚排列图分别如图 2和图 3所示。它内部包括两个电压比较器 ,三个等值串联电阻 ,一个 RS触发器 ,一个放电管 T及功率输出级。它提供两个基准电压 VCC /3和 2VCC /3。555定时器的功能主要由两个比较器决定。两个比较器的输出电压控制 SR触发器和放电管的状态。
在电源与地之间加上电压 ,当 5脚悬空时 ,则电压比较器 C1的同相输入端的电压为 2VCC /3, C2的反相输入端的电压为 VCC /3。若触发输入端 TR的电压小于VCC /3,则比较器 C2的输出为0,可使SR触发器置1,使输出端OUT=1。如果阈 值输入端 TH的电压大于 2VCC /3,同时 TR端的电压大于 VCC /3,则C1的输出为 0, C2的输出为 1,可将 RS触发器置0,使输出端OUT=0。如表2.
表2、 555定时器功能表
555定时器的内部电路框图如下图
图2 555定时器的内部电路框图
图3、555定时器管脚图
555定时器各个管脚的名称与功能如表3
表3、555定时器的管脚名称与功能
(2)555定时器的应用简介
555定时器电路应用非常广泛,在应用和工作方式上一般可归纳为 3 类。
1、单稳类-----作用:定延时,消抖动,分(倍)频,脉冲输出,速率检测等;
2、双稳类-----作用:比较器,锁存器,反相器,方波输出及整形等;
3、无稳类-----作用:方波输出,电源变换,音响报警,玩具,电控测量,定时等。
每类工作方式又有很多个不同的电路。在实际应用中,除了单一品种的电路外,还可组合出很多不同电路,如:多个单稳、多个双稳、单稳和无稳,双稳和无稳的组合等
(3)555定时器的典型应用电路
1、用555定时器接成施密特触发器
将555定时器的2脚与6脚两个输入端连在一起作为信号输入端,即可得到施密特触发器,如图4。
由于比较器C1和C2的参考电压不同,因而SR锁存器的置0信号和置1信号必然发生在输入信号Vi的不同电平。因此,输出电压Vo由高电平变为低电平和由高电平变为低电平所对应的Vi值也不相同,这样就行成了施密特触发特性,图5。
-------------------又到了学长勾引学妹、学妹勾搭学长、学姐垂涎学弟、学弟攀附学姐、学姐嫉妒学妹、学妹憎恨学姐、学长抛弃学姐、学姐报复学长、学长欺瞒学弟、学弟巴结学长、学弟追求学妹、学妹拒绝学弟的季节了……--------------------————————————————————————
2014年06月01日 18点06分 11
level 13
A1411464185 楼主
2、用555定时器接成单稳态触发器
以555定时器的V12端作为触发器的信号输入端,并将由Td和R组成的反相器输出电压Vod接至Vi1端,同时在对地接如电容C,构成如图6所示的单稳态触发器。
图6、用555定时器接成的单稳态触发器
输出脉冲的宽度Tw等于暂稳态的持续时间,暂稳态的持续时间取决于外界电阻R1和电容C2的大小。
通常R的取值在几百欧姆到兆欧姆之间,电容的取值范围为几百皮法到几百微法,Tw的范围为几微秒到几分钟。
3、用555定时器接成多谐振荡器
因用555定时器可以很方便的接成施密特触发器,所以我们也可用555定时器接成多谐振荡器。
为了减轻门G4的负载,在图7中,将DIS与R2接成一个反相器,它的输出Vod与Vo在高低电平状态上完全相同。将Vod 经R1和C1组成的积分电路接到施密特触发器的输入端同样能够构成多谐振荡器。
图7、用555定时器接成的多谐振荡器
电容C1上的电压Vc 将在Vt+与Vt-之间往复震荡,Vc 与Vo的波形如图8所示。
图8、电路的电压波形图
由图中Vc 的波形可求得电容C1的冲放电时间T1与T2。
可通过改变R与C的参数来改变震荡频率,本次课程设计用到的就是这个电路。
-------------------又到了学长勾引学妹、学妹勾搭学长、学姐垂涎学弟、学弟攀附学姐、学姐嫉妒学妹、学妹憎恨学姐、学长抛弃学姐、学姐报复学长、学长欺瞒学弟、学弟巴结学长、学弟追求学妹、学妹拒绝学弟的季节了……--------------------————————————————————————
2014年06月01日 18点06分 12
level 13
A1411464185 楼主
九、课程设计的心得体会
在近一个星期的课程设计时间内,实在是令人感到忙碌,却又充实。而且在课程设计的期间,又是我们的考试复习阶段,所以我不得不在复习即将考试的科目的同时去查找自己所选项目的相关资料,根据设计要求去选用芯片构成电路。
在刚开始的时候,很多内容都看不明白,需要重新复习数电知识,这是一个复习的过程,也是一个深入理解的过程,我不但更加了解芯片的功能,而且也会去更加注意细节。知其然,更要知其所以然。这样才能更好的完成数电课程设计,交出一份令人满意的答卷。
在最终连接电路的时候也出现了许多问题,不得不停下手来,再次回头去查看资料,翻看课本,重新学习,这也是一个巩固的阶段,他使我的数电掌握得更加牢固。而在连线的过程中,更由不得一丝马虎,任何一点粗心都可能导致实验的失败。
再次感谢老师的辅导以及同学的帮助。“纸上得来终觉浅,绝知此事要躬行”,由此看来实践的重要,短短几天的课程设计,学到了很多的东西,最重要的是我自己动手把我学习的知识用于实践,做出成功的作品,这才算真正学习到了东西。总之,这次实验我收获颇多。实践是获得知识的一种最好的手段!
-------------------又到了学长勾引学妹、学妹勾搭学长、学姐垂涎学弟、学弟攀附学姐、学姐嫉妒学妹、学妹憎恨学姐、学长抛弃学姐、学姐报复学长、学长欺瞒学弟、学弟巴结学长、学弟追求学妹、学妹拒绝学弟的季节了……--------------------————————————————————————
2014年06月01日 18点06分 14
level 13
A1411464185 楼主
十一.参考文献
1. 黄智伟.全国大学生电子设计竞赛技能训练[M].北京:北京航空航天大学出版社,2007
2. 黄智伟.全国大学生电子设计竞赛制作实训[M].北京:北京航空航天大学出版社,2007
3. 黄智伟.全国大学生电子设计竞赛系统设计[M].北京:北京航空航天大学出版社,2006
4. 黄智伟.全国大学生电子设计竞赛电路设计[M].北京:北京航空航天大学出版社,2006
5. 黄智伟.全国大学生电子设计竞赛常用电路模块制作[M].北京:北京航空航天大学出版社,2010
6. 黄智伟等.基于NI multisume的电子电路计算机仿真设计与分析[M].北京:电子工业出版社,2007
7. 黄智伟.印制电路板(PCB)设计技术与实践[M].北京:电子工业出版社,2009
8. 高吉祥等.电子技术基础实验与课程设计[M].北京:电子工业出版社,2002
9. 吴运昌.模拟集成电路原理与应用[M].广州:华南理工大学出版社,2001年
10. 谭博学等. 集成电路原理及应用[M].北京:电子工业出版社,2003
11. 魏立军.CMOS 4000系列60种常用集成电路的应用[M].北京:人民邮电出版社,1993
12. 杨宝清.实用电路手册[M].北京:机械工业出版社.2002
13. 陈有卿.报警集成电路和报警器制作实例[M].人民邮电出版社1996
肖景和.红外线热释电与超声波遥控电路[M].人民邮电出版社.2003
-------------------又到了学长勾引学妹、学妹勾搭学长、学姐垂涎学弟、学弟攀附学姐、学姐嫉妒学妹、学妹憎恨学姐、学长抛弃学姐、学姐报复学长、学长欺瞒学弟、学弟巴结学长、学弟追求学妹、学妹拒绝学弟的季节了……--------------------————————————————————————
2014年06月01日 18点06分 15
大家好,我是黄智伟,对于楼主这么多次引用我的论文,我表示深感荣幸
2014年06月01日 18点06分
@无极限1991 :谢谢[吐舌]   --来自LOL助手版贴吧客户端
2014年06月02日 03点06分
level 13
A1411464185 楼主
-------------------又到了学长勾引学妹、学妹勾搭学长、学姐垂涎学弟、学弟攀附学姐、学姐嫉妒学妹、学妹憎恨学姐、学长抛弃学姐、学姐报复学长、学长欺瞒学弟、学弟巴结学长、学弟追求学妹、学妹拒绝学弟的季节了……--------------------————————————————————————
2014年06月01日 18点06分 16
level 13
A1411464185 楼主
明早补不图片
2014年06月01日 18点06分 17
要不要补上你的源文件?弄个百度网盘或者是附件
2014年06月01日 18点06分
@无极限1991 :可以有   --来自LOL助手版贴吧客户端
2014年06月02日 03点06分
有八路抢答器吗TAT 用74LS 148 48 279实现的
2014年06月02日 03点06分
回复 A1411464185 :你重新发吧,把图也放上去
2014年06月02日 04点06分
level 1
楼主,有eda的文件吗
2015年06月22日 07点06分 18
level 1
大神啊 能帮我做一个12个彩灯的仿真 感激不尽
2015年06月24日 02点06分 19
level 1
给个源文件吧 真心不想挂
2015年06月24日 02点06分 20
level 1
楼主求仿真,好人
2015年06月30日 06点06分 22
level 5
楼主有仿真么?
2015年06月30日 06点06分 23
level 1
帅哥 有没有文件啊 给发一份 [爱心]
2015年07月06日 02点07分 24
1 2 尾页