3D练习题,个人觉得经典。有时间可练练
cad吧
全部回复
仅看楼主
level 9
要无拘无束
楼主
2012年10月11日 09点10分
1
level 9
要无拘无束
楼主
2012年10月11日 09点10分
2
level 9
要无拘无束
楼主
2012年10月11日 09点10分
3
level 9
要无拘无束
楼主
2012年10月11日 09点10分
4
滥情丶欲
用什么软件可以画
2012年10月17日 06点10分
要无拘无束
回复 滥情丶欲 :你在什么吧看到题目?
2012年10月17日 09点10分
滥情丶欲
回复 要无拘无束 :就是你上面的发的那些图 用什么软件可以画出三维图
2012年10月19日 02点10分
level 9
要无拘无束
楼主
忘了把一楼留给领导了。唉。别给杀了
2012年10月11日 09点10分
5
level 11
jypxiang
。有时间一定要做做。练习练习三维的。
2012年10月11日 13点10分
6
level 3
十里腥风
ma
2012年10月11日 13点10分
7
level 7
二介平民
第一题左视图只能做到这样了,比原图差一条直线。不知道怎么回事。
2012年10月12日 00点10分
8
level 7
二介平民
第二题
2012年10月12日 01点10分
9
level 7
二介平民
第三题。有不对的地方希望指出来,有利于学习。
2012年10月12日 02点10分
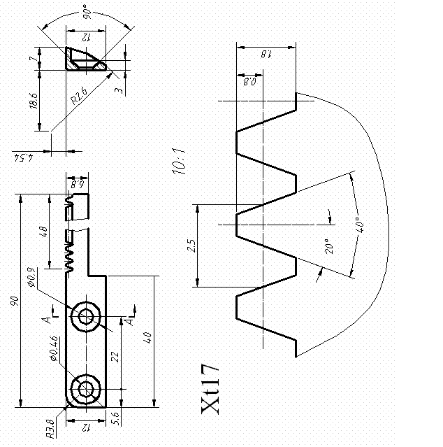
10
level 7
二介平民
第四题
2012年10月12日 02点10分
11
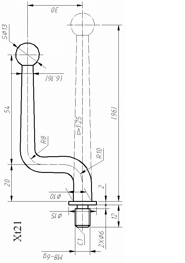
level 7
二介平民
第五题
2012年10月12日 02点10分
12
level 9
要无拘无束
楼主
真是可敬,
2012年10月12日 04点10分
13
level 5
小时带着小蜗去
马克
2012年10月12日 04点10分
14
level 7
二介平民
第六个图。图上标的题号和图的顺序不一样。我是按图的顺序做的。
2012年10月12日 05点10分
15
冷痕川
怎么可以4个窗口 跟3d一样
2012年10月15日 06点10分
二介平民
回复 冷痕川 :是啊,从不同角度观察的结果啊。
2012年10月15日 06点10分
二介平民
回复 冷痕川 :视图——视口——四个视口。 但是这些真不是三D做的。我感觉3D不如CAD好学。命令分组不好,也不直观。不像CAD一看命令就知道是干什么用个。3D还得去记。
2012年10月15日 07点10分
冷痕川
回复 二介平民 :是的
2012年10月16日 07点10分
level 7
二介平民
第七个图
2012年10月12日 07点10分
16
二介平民
这个错了!
2012年10月12日 08点10分
二介平民
上边那个圆柱环还有支撑板没有移到位。
2012年10月12日 08点10分
要无拘无束
回复 二介平民 :你能找出来就说明这道题已经过了
2012年10月12日 09点10分
二介平民
回复 要无拘无束 :看起来还是要保存个没有并集的啊,能修改啊。 其他的有问题吗,我自己可能看不出来。
2012年10月12日 10点10分
level 7
二介平民
第八个图。这个真做不好。好几个尺寸看不懂,估计着画的。
2012年10月12日 08点10分
17
level 7
二介平民
XT31
2012年10月13日 04点10分
18
颐迣傾杺
牛x啊
2012年10月23日 12点10分
凡人过客丶
问下。中间这段圆弧状的三维怎么画?
2014年06月04日 04点06分
level 3
摸摸你的脑袋瓜
请问平面图画出来了怎么组合呢,我是自学,不知道怎么画3维,麻烦哪位高手告诉我一下,谢谢,好人一生平安
2012年10月13日 07点10分
19
要无拘无束
这些是直接画的三维图,为是么要组合成三维呢。
2012年10月13日 09点10分
摸摸你的脑袋瓜
回复 要无拘无束 :谢谢你,貌似我明白了
2012年10月13日 11点10分
level 7
二介平民
xt24
2012年10月14日 07点10分
20
1
2
3
4
5
尾页