请求好心人帮忙!编程
lisp吧
全部回复
仅看楼主
level 1
WS54007NNQ 楼主
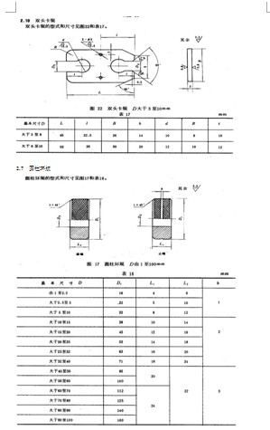
用Lisp语言编“光滑极限量规”的程序(圆柱环规和双头卡规)
初学者,实在不会,绝望至极,请求帮助,感激涕零!

2011年05月13日 03点05分 1
1