level 3
我我我总系我♀
楼主
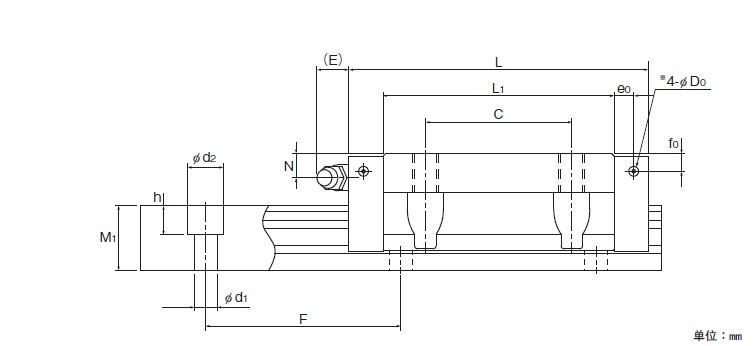
球保持器型LM滚动导轨 世界标准 SHS型
钢球沿着LM轨道和LM滑块上经精密研磨加工而成的4列滚动面进行滚动;通过球保持器与组装在LM滑块
上的回球器,使钢球列作循环运动。
为使LM滑块上的4个作用方向(径向、反径向和侧向)均具有相同的额定载荷,各钢球列被设计成按接触
角45配置,因此无论何种姿势都可以使用。并且因能施加均等的预压,从而既能一边维持较低的磨擦系
数,又加强了4个方向的刚性。同时,因断面高度低,并且对LM滑块进行了高刚性设计,从而能获得稳定的
高精度直线运动。
【 4方向等负荷】
为使LM滑块上的4个作用方向(径向、反径向和侧向)均具有相同的额定载荷,各钢球列被设计成按接触
角45配置,因此无论何种姿势都可以使用,用途广泛。
【 自动调心能力】
由于THK独特的圆弧沟槽的正面组合(DF组合)具有自动调节能力,即使施加预压也能吸收安装误差,从
而得到高精度、平滑稳定的直线运动。
【 世界标准尺寸】
SHS的尺寸设计以由直线运动系统之先驱THK所开发的、事实上以成为世界标准的全钢球LM滚动导轨HSR
型为基准。
【 低重心、高刚性】
通过对LM轨道横断面尺寸的小型化,使重心变低,同时实现了高刚性。
种类与特长
SHS-C型
LM滑块的法兰部实施了螺纹加工。
可以从上下任选一方向安装。
可用于工作台上无法钻安装螺栓用通孔的情况。
SHS-V型
为减小了LM滑块的宽度(W)、实施了螺纹加工的类
型。
可用于工作台宽度空间不足的场所。
SHS-R型
减小了LM滑块的宽度(W),安装部实施了螺纹加
工。
为继承了全钢球LM滚动导轨HSR-R型的高度尺寸
的类型。
SHS-LC型
具有与SHS-C型同一横断面形状、延长了LM滑块全
长(L)、增加了额定载荷的类型。
SHS-LV型
具有与SHS-V型同一横断面形状、延长了LM滑块的
全长(L)、增加了额定载荷的类型。
SHS-LR型
具有与SHS-R型同一横断面形状、延长了LM滑块的
全长(L)、增加了额定载荷的类型。


2011年05月03日 07点05分
1
钢球沿着LM轨道和LM滑块上经精密研磨加工而成的4列滚动面进行滚动;通过球保持器与组装在LM滑块
上的回球器,使钢球列作循环运动。
为使LM滑块上的4个作用方向(径向、反径向和侧向)均具有相同的额定载荷,各钢球列被设计成按接触
角45配置,因此无论何种姿势都可以使用。并且因能施加均等的预压,从而既能一边维持较低的磨擦系
数,又加强了4个方向的刚性。同时,因断面高度低,并且对LM滑块进行了高刚性设计,从而能获得稳定的
高精度直线运动。
【 4方向等负荷】
为使LM滑块上的4个作用方向(径向、反径向和侧向)均具有相同的额定载荷,各钢球列被设计成按接触
角45配置,因此无论何种姿势都可以使用,用途广泛。
【 自动调心能力】
由于THK独特的圆弧沟槽的正面组合(DF组合)具有自动调节能力,即使施加预压也能吸收安装误差,从
而得到高精度、平滑稳定的直线运动。
【 世界标准尺寸】
SHS的尺寸设计以由直线运动系统之先驱THK所开发的、事实上以成为世界标准的全钢球LM滚动导轨HSR
型为基准。
【 低重心、高刚性】
通过对LM轨道横断面尺寸的小型化,使重心变低,同时实现了高刚性。
种类与特长
SHS-C型
LM滑块的法兰部实施了螺纹加工。
可以从上下任选一方向安装。
可用于工作台上无法钻安装螺栓用通孔的情况。
SHS-V型
为减小了LM滑块的宽度(W)、实施了螺纹加工的类
型。
可用于工作台宽度空间不足的场所。
SHS-R型
减小了LM滑块的宽度(W),安装部实施了螺纹加
工。
为继承了全钢球LM滚动导轨HSR-R型的高度尺寸
的类型。
SHS-LC型
具有与SHS-C型同一横断面形状、延长了LM滑块全
长(L)、增加了额定载荷的类型。
SHS-LV型
具有与SHS-V型同一横断面形状、延长了LM滑块的
全长(L)、增加了额定载荷的类型。
SHS-LR型
具有与SHS-R型同一横断面形状、延长了LM滑块的
全长(L)、增加了额定载荷的类型。













